DEFRO HYDROPELL is a pellet fireplace stove. It can be used for space heating and as a hot water source in central heating installations. Works on the principle of emission from fireplace through glass and on the principle of radiation through hot air convection openings.
The stove has a closed combustion chamber, which allows us to install it in rooms with recuperation. Thermal energy which is given to water is classified above 80%.
Ecodesign requirements have been met for all powers.
Fuel: wood pellets with a diameter of 6-8 mm.

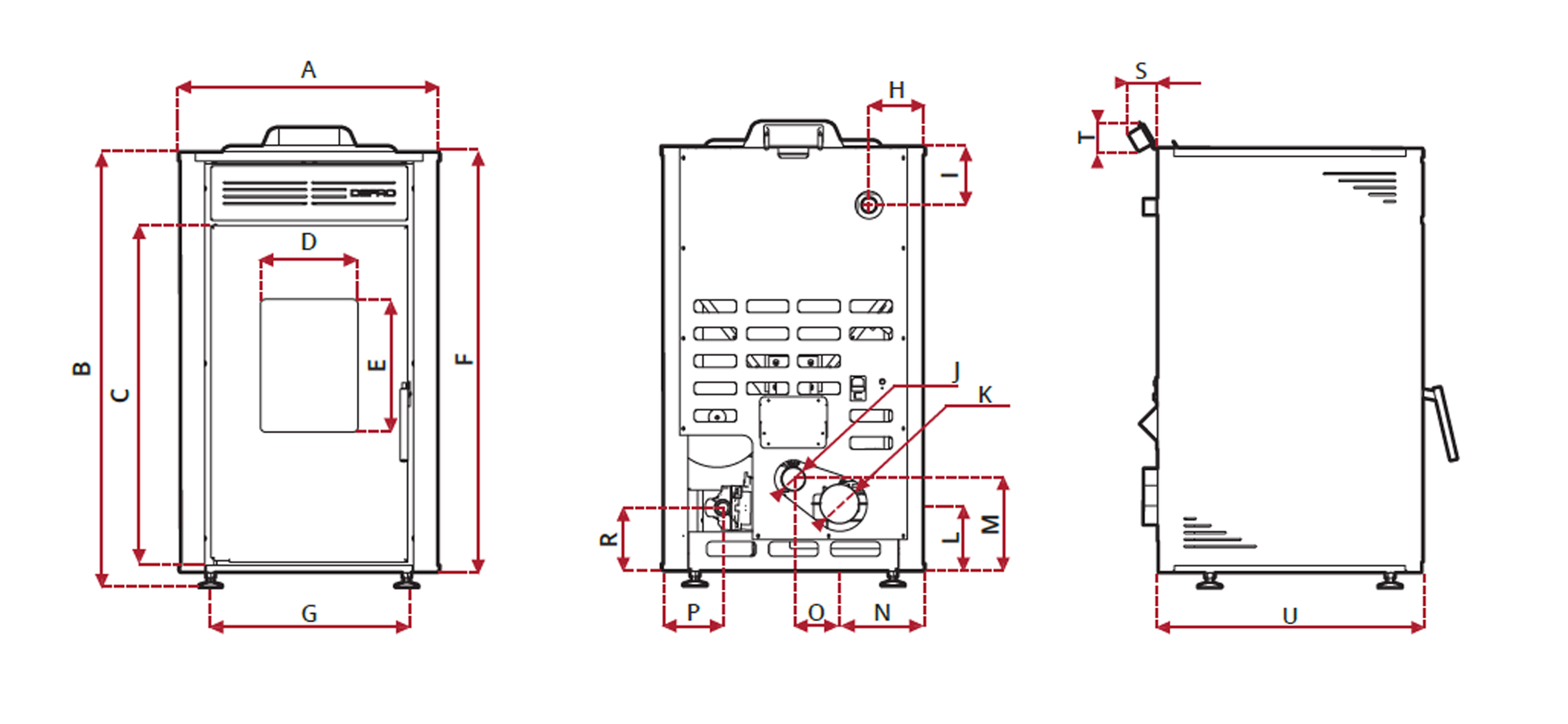
| Dimensions of device in mm | ||||
| Dimension | 8 kW | 12 kW | 18 kW | 24 kW |
| A | 525 | 575 | ||
| B | 887 | 937 | 987 | 1073 |
| C | 686 | 710 | 737 | |
| D | 198 | 250 | ||
| E | 270 | 280 | ||
| F | 857 | 907 | 957 | 1043 |
| G | 400 | 450 | ||
| H | 110 | 116 | ||
| I | 119 | |||
| J | 50 | |||
| K | 80 | |||
| L | 136 | 189 | 181 | |
| M | 186 | 206 | 197 | |
| N | 169 | 127 | 134 | |
| O | 93 | 136 | 153 | |
| P | 120 | 79 | 126 | |
| R | 128 | 70 | 138 | |
| S | 60 | 50 | 60 | |
| T | 50 | |||
| U | 528 | 623 | ||
| Technical specifications of device: | |||||
| Boiler type | J.m. | 8 | 12 | 18 | 24 |
| Nominal power | kW | 10,4 | 12,4 | 14,9 | 18,5 |
| Thermal power of water circuit | kW | 8,5 | 10,3 | 12,3 | 16 |
| Thermal power given off to environment | kW | 1,9 | 2,1 | 2,6 | 2,5 |
| Nominal effciency | % | 94,9 | 94,2 | 95,6 | |
| Seasonal energy effciency | % | 90,4 | 90,0 | 91,2 | |
| CO emissions at 13% O2 | % | 0,0101 | 0,0047 | 0,0048 | 0,0043 |
| Flue gas temperature | ˚C | 81,4 | 84,8 | 94,1 | 83,7 |
| Weight | kg | 135 | 150 | 185 | 215 |
| Minimal chimney draft | Pa | 12 | |||
| Flue diameter | mm | 80 | |||
| Power | V | 230 | |||
| Maximum electric power consumption | W | 600 | |||
| Fuel tank capacity | kg | 15 | 20 | 24 | 28 |
| Water capacity | l | 22 | 25 | 28 | 32 |
| Diaphgram expansion vessel capacity | l | 8 | 8 | ||
| Working pressure | bar | 1,5 | |||
ℹ️ Viewed reviews are moderated. We do not verify that they come from customers who have purchased the product.