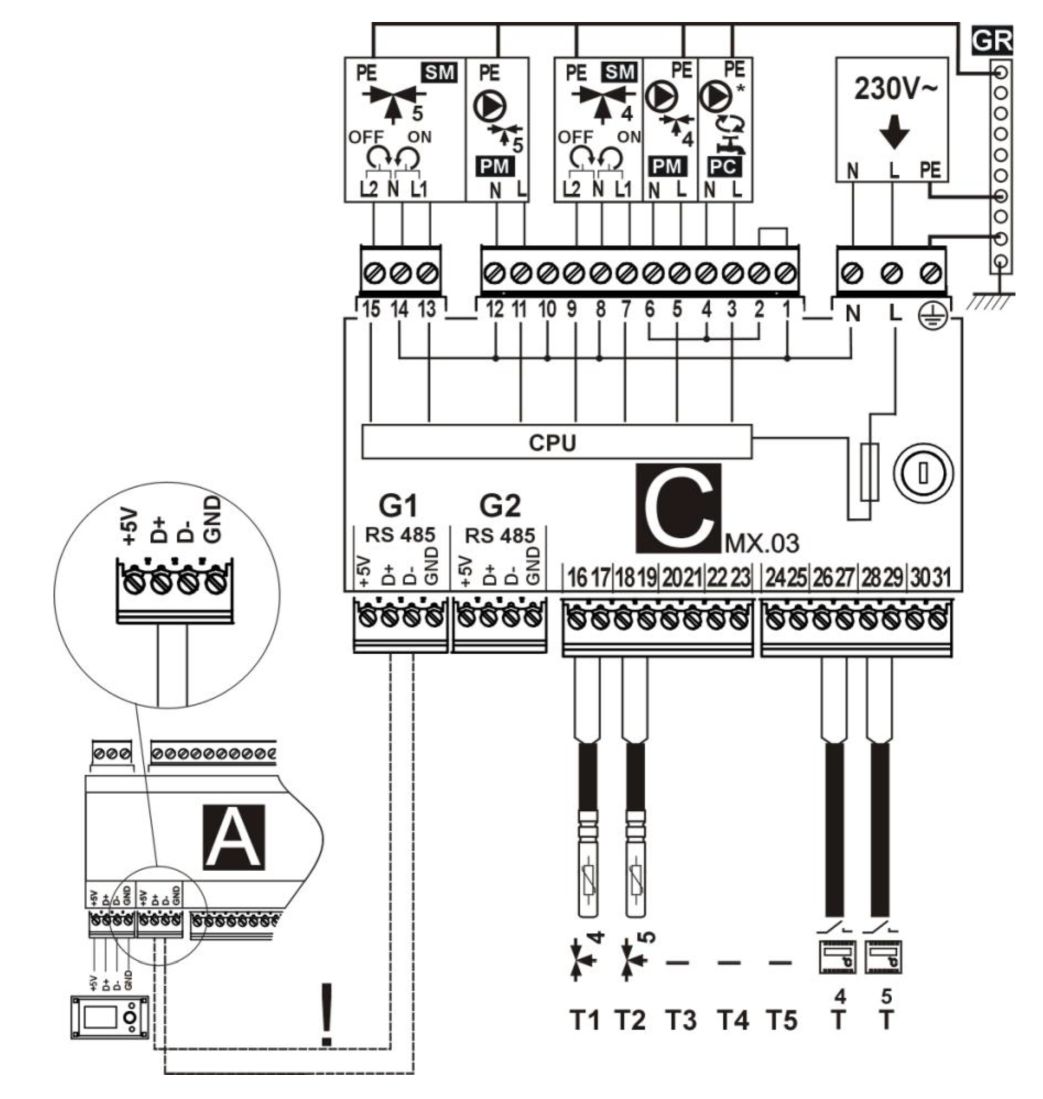
Moduł C (MX0.3) uzupełnia zakres funkcji realizowanych przez regulatory ecoMAX800P,P1,P2, ecoMAXX800R2,T2 oraz ecoMAX850I3. Moduły nie mogą pracować jako samodzielne urządzenia. Wykorzystanie modułu i wykonywane przez niego funkcje uzależnione są od regulatora głównego, z którym moduł współpracuje. Wszystkie ustawienia dla modułu wykonuje się w regulatorze głównym.
| Dane techniczne | |
| Zasilanie | 230V~; 50Hz; |
| Prąd pobierany przez regulator | I = 0,02 A1 |
| Maksymalny prąd znamionowy | 6 (6) A |
| Stopień ochrony regulatora | IP20, IP002 |
| Temperatura otoczenia | 0...50 °C |
| Temperatura składowania | 0...65 °C |
| Wilgotność względna | 5 - 85% bez kondensacji pary wodnej |
| Zakres pomiarowy temp. czujników CT4 | 0...100 °C |
| Dokładność pomiaru temp. czujnikami CT4 i CT4-P | 2°C |
| Przyłącza | Zaciski śrubowe po stronie napięcia sieciowego 2,5mm2 Zaciski śrubowe po stronie sterującej 1,5mm2 |
| Gabaryty zewnętrzne | 140x90x65 mm |
| Masa kompletu | 0,3 kg |
| Normy | PN-EN 60730-2-9 PN-EN 60730-1 |
| Klasa oprogramowania | A |
| Klasa ochrony | Do wbudowania do przyrządów klasy I |
| Stopień zanieczyszczenia otoczenia | 2 wg. PN-EN 60730-2-9 |

Legenda:

Legenda:
| Masa [ kg ] | 0.3 |
| Wysokość [ mm ] | 90 |
| Szerokość [ mm ] | 140 |
| Głębokość [ mm ] | 65 |
ℹ️ Wyświetlane opinie są moderowane. Nie weryfikujemy, czy pochodzą od klientów, którzy kupili dany produkt.
















