Heizkessel Termica WW gefertigt aus Edelstahl mit einer spiralförmigen Heizschlange die ebenso aus Edelstahl gefertigt wird. Der Speicher wird vor dem Wärmeverlust durch eine Isolierung mit einem Metallgehäuse geschützt.
Der Brauchwasserspeicher kann mit jedem beliebigen Kessel zusammenarbeiten der mit Festbrennstoff, Gas oder Öl betrieben wird. Der Speicher kann auch mit Sonnenkollektoren betrieben werden.
Die Brauchwasserspeicher besitzen ein Zertifikat vom Nationalen Institut für Hygiene.
Der Brauchwasserspeicher wird vom Hersteller mit einen eingebauten Sicherheitsventil ausgestattet.
Die Wasserspeicher mit bis zu 300 Liter Inhalt, besitzen eine 8 jährige Garantie. Die größeren Wasserspeicher besitzen eine 5 jährige Garantie.
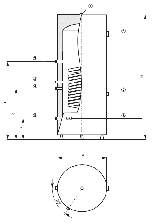
| Abmessungen und technische Daten | Einheit | WW100 | WW120 | WW150 |
| Höhe H | [mm] | 1095 | 1255 | 1485 |
| Durchmesser | [mm] | 540 | ||
| Masse ohne Wasser | [kg] | 35 | 40 | 46 |
| B | [mm] | 645 | 765 | 855 |
| C | [mm] | 410 | 610 | 695 |
| D | [mm] | 180 | ||
| Heizfläche Heizschlange | [m2] | 0,7 | 0,9 | 1,0 |
| Zirkulationsverbindung | [-] | AG 3/4" | ||
| Verbindung von heißem und kaltem Wasser | [-] | AG 3/4" | ||
| Heizschlangen Verbindungen | [-] | AG 3/4" | ||
| Maximale Arbeitstemperatur | [ºC] | 95 | ||
| Maximaler Warmwasserdruck | [bar] | 6 | ||
| Energieeffizienzklasse | [-] | B | B | C |

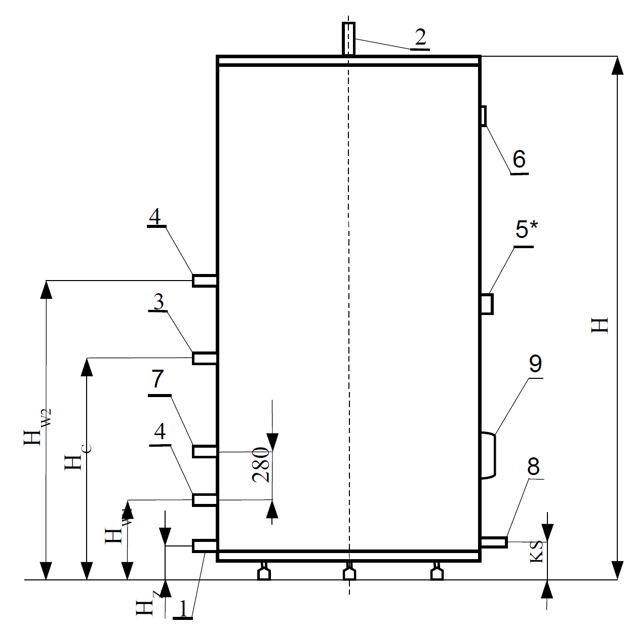
| Typ | Durchmesser (mm) | Höhe H (mm) | Hc(mm) | HW1(mm) | HW2(mm) | HZ(mm) | KS (mm) |
| WW 200N | 700 | 1355 | 755 | 270 | 855 | 100 | 100 |
| WW 250 | 700 | 1570 | 832 | 292 | 932 | 110 | 110 |
| WW 300 | 700 | 1890 | 867 | 292 | 967 | 110 | 110 |
| Typ | Nennkapazität (L) | Spulenaustauschfläche (m2) | Spulenleistung 70/10/45 (kW) | Aufwärmzeit (Min) |
| WW 200N | 200 | 1,1 | 28,7 | 22 |
| WW 250 | 250 | 1,2 | 31,0 | 25 |
| WW 300 | 300 | 1,3 | 33,3 | 28 |

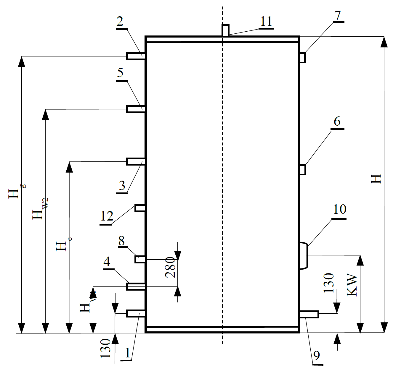
| Nennkapazität (L) | Gewicht ohne Wasser (kg) | Durchmesser (mm) | Höhe H (mm) | HW(mm) | Hc(mm) | HW1(mm) | HW2(mm) | Hg(mm) |
| WW 400 | 140 | 790 | 1540 | 350 | 805 | 285 | 985 | 1440 |
| WW 500 | 154 | 730 | 1840 | 350 | 920 | 300 | 1020 | 1740 |
| WW 1000 | 235 | 1090 | 2070 | 510 | 1055 | 465 | 1155 | 1580 |
| Typ | Nennkapazität (L) | Spulenaustauschfläche (m2) | Spulenleistung 70/10/45 (kW) | Aufwärmzeit (min) |
| WW 400 | 400 | 1,5 | 37,0 | 33 |
| WW 500 | 500 | 1,9 | 47,2 | 33 |
| WW 1000 | 1000 | 3,1 | 76,0 | 35 |

| Montage | Senkrecht, Innen |
| Schlange | eine Schlange |
ℹ️ Bewertungen werden moderiert. Wir überprüfen nicht, ob sie von Kunden stammen, die das Produkt gekauft haben.








