Die thermisch gesteuerte Sicherheitseinrichtung 5067 dient zur Absicherung von Heizkesseln in geschlossenen Heizungsanlagen, die mit festen Brennstoffen befeuert werden und nicht mit einer eingebauten Durchflußbatterie oder einem entsprechend dimensionierten Wassererwärmer ausgestattet sind. Durch den Einsatz der Sicherheitseinrichtung können auch bereits installierte Kessel ohne eingebauten Wassererwärmer nachträglich für die Verwendung von festen Brennstoffen umgerüstet werden.
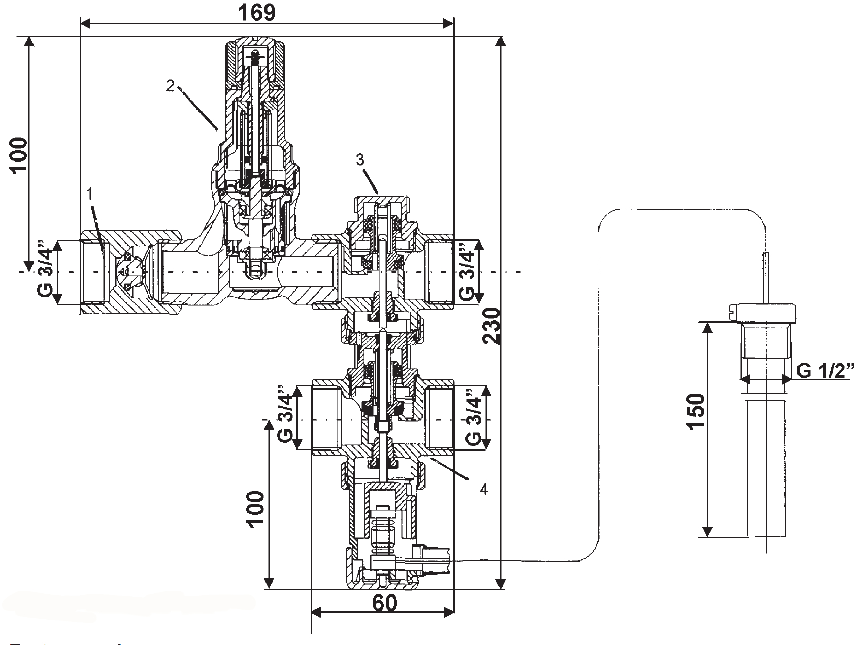
Die Eingangsseite der Sicherheitseinrichtung wird mit dem Wasserversorgungsnetz verbunden. Die Ausgangsseite des Eingangsventils führt zum Kesselrücklauf des Heizkessels. Die Kesselvorlaufleitung wird mit dem Ausgangsventil der Sicherheitseinrichtung verbunden. Dessen Ausgangsseite führt über den eingebauten Ablauftrichter in den Abwasserkanal.
Der Temperaturfühler ist an der heißesten Stelle, vorzugsweise im Oberen Teil des Kessels, zu montieren. Für einwandfreie Temperaturmessung darf nur die mitgelieferte Tauchhülse verwendet werden. Der Druckminderer muß auf einen Druck eingestellt werden, der unterhalb des höchstzulässigen Betriebsdrucks der Heizungsanlage liegt. Hierdurch wird ein Ansprechen des in jedem Fall zur druckseitigen Absicherung des Heizkessels notwendigen Membransicherheitsventils vermieden.
Der Funktionsablauf beim Überschreiten der eingestellten Ansprechtemperatur ist wie folgt : Mit Erreichen einer Temperatur von 90°C öffnet der Sitz des Eingangsventils, um den Druck in der Heizungsanlage stabil zu halten, wenn bei 97°C das Ausgangsventil öffnet. Nach dem Öffnen des Ausgangsventils strömt heißes Wasser aus der Heizungsanlage heraus und kaltes Wasser aus der Versorgungsleitung kann nachströmen. Dadurch wird der Kessel abgekühlt. Beim Absinken der Kesseltemperatur auf 94°C wird das Ausgangsventil geschlossen. Der Druckminderer stellt mit dem noch offenen Eingangsventil sicher, daß der korrekte Betriebsdruck in der Heizungsanlage hergestellt wird. Mit Erreichen einer Temperatur von 88°C schließt auch das Eingangsventil.

Betriebsdruck Druckminderer: 1,2 bar (Werkseinstellung)
Maximaler Eingangsdruck Wasser: 16 bar
Der minimal erforderlicher Einlassdruck des Wassers: 2,3 bar
Die maximale Betriebstemperatur:135°C
Gewicht: 1,5kg
| Öffnungstemperatur | Schließtemperatur | |
| Befüllungsventil | 90°C +0/-2°C | 88°C +0/-2°C |
| Auswurf-Ventil | 97°C +0/-2°C | 94°C +0/-2°C |
Wasser fließt durch die Wärmeschutzvorrichtung 5067 bei einer bestimmten Temperatur und einen vorgegebenen
Stelldruckminderer an einem vorbestimmten Einlaßdruck von kalten Wasser bei 8 bar:
| Einstellung am Druckminderer [bar] | Strömungsrate Q [m3/h] bei 100°C | Strömungsrate Q [m3/h] bei 110°C |
| 1,5 | 0,58 | 1,35 |
| 2,5 | 0,73 | 1,95 |
| 3,0 | 0,82 | 2,17 |
| 5,0 | 1,10 | 2,90 |

| Gewicht [ kg ] | 1.50 |
| Gewindeart | 3⁄4'' |
| Montage | Senkrecht, Innen |
| Max. Betriebstemperatur [ °C ] | 135 |
| Öffnungstemperatur [ °C ] | 97 |
| Maximaler Wasserdurchfluss [ l/h ] | 2900 |
ℹ️ Bewertungen werden moderiert. Wir überprüfen nicht, ob sie von Kunden stammen, die das Produkt gekauft haben.






