





















Keine Artikel
Pufferspeicher mit einer Heizschlange vom Typ Maxi zeichnen sich durch eine große Oberfläche der Heizschlange aus, was den Anschluss einer Wärmepumpe (niedrige Heizflüssigkeitstemperatur) ermöglicht, da sie eine große Wärmeübertragungsfläche bietet. Die Isolierung besteht aus Polyurethanschaum oder abnehmbarem PU-Schaum. Der Pufferspeicher ist in einem ästhetischen Gehäuse in grauer Farbe untergebracht.
| Modell | 16.200B-1M | 16.300B-1M | 16.400B-1M | 16.500B-1M | 16.600B-1M | 16.800B-1M | 16.1000B-1M | ||||
| Nennvolumen | L | 189 | 276 | 332 | 476 | 547 | 775 | 897 | |||
| Untere Heizschlange | Fläche | m2 | 1.9 | 3.2 | 4.5 | 4.8 | 5.1 | 6.0 | 6.5 | ||
| Volumen | L | 9.4 | 15.8 | 23.5 | 25 | 26.2 | 31 | 33.4 | |||
| Max. Betriebstemp. und -druck des Speichers | 95 °C / 3 Bar | ||||||||||
| Max. Betriebstemp. und -druck der Heizschlangen | 95 °C / 6 Bar | ||||||||||
| Isolierung | PUR | Abnehmbar | |||||||||
| Gewicht | kg | 103 | 145 | 186 | 199 | 222 | 276 | 300 | |||

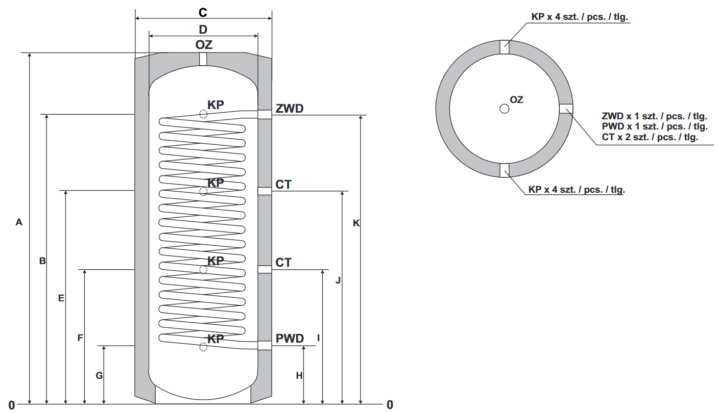
| KP | Anschlussstutzen | G 6/4" W/F |
| OZ | Speicherentlüftung | G 6/4" W/F |
| ZWD | Einlass untere Heizschlange | G 1" W/F |
| PWD | Auslass untere Heizschlange | G 1" W/F |
| CT | Temperatursensorbuchse | G 1/2" W/F |
| A | B | C | D | E | F | G | H | I | J | K | |
| 16.200B-1M | 1247 | 1025 | 600 | 500 | 748 | 471 | 195 | 195 | 471 | 748 | 1025 |
| 16.300B-1M | 1512 | 1275 | 650 | 550 | 935 | 545 | 205 | 205 | 545 | 935 | 1275 |
| 16.400B-1M | 1762 | 1525 | 650 | 550 | 1025 | 645 | 205 | 205 | 645 | 1085 | 1525 |
| 16.500B-1M | 1707 | 1469 | 750 | 650 | 1054 | 634 | 219 | 219 | 634 | 1054 | 1469 |
| 16.600B-1M | 2007 | 1774 | 850 | 650 | 1259 | 739 | 219 | 219 | 739 | 1259 | 1774 |
| 16.800B-1M | 1867 | 1557 | 1000 | 800 | 1124 | 691 | 258 | 258 | 691 | 1124 | 1557 |
| 16.1000B-1M | 2087 | 1778 | 1000 | 800 | 1278 | 758 | 258 | 258 | 758 | 1278 | 1778 |
| Klasse | C |
| Gewindedurchmesser [ Zoll ] | 6⁄4'' |
| Montage | Senkrecht, Boden, Innen |
| Max. Betriebstemperatur [ °C ] | 95 |
| Max. Arbeitsdruck [ bar ] | 3, 6 |
| Isolierung | Polyurethan (PU), Polyurethanschaum |
| Garantie [ Monate ] | 2 Jahre auf Zubehör, 5 Jahre |
| Schlange | eine Schlange |
ℹ️ Bewertungen werden moderiert. Wir überprüfen nicht, ob sie von Kunden stammen, die das Produkt gekauft haben.